Drevenica Jeleniarka
Späť na dvojpodlažné drevenice
.
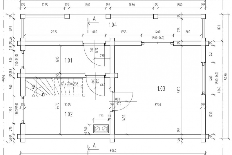
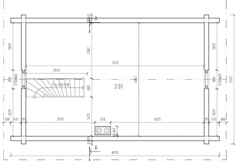
Malá útulná drevenica bez sociálneho zariadenia s kuchyňou, spálňou na prízemí a v podkroví, slúžiaca pre aktívnych milovníkov prírody. Svojou úžitkovou plochou vhodná na krátkodobý pobyt pre 4 ľudí.
.
| Zastavaná plocha | 45 m2 |
| Úžitková plocha: | |
| 1.NP | 28,20 m2 |
| 2.NP | 28,20 m2 |
| Úžitková plocha celkom | 56,40 m2 |
| Počet izieb / spální | 2 |
| Počet kúpeľní | 0 |










